不锈钢旋启式止回阀

不锈钢旋启式止回阀
产品分类 不锈钢止回阀

品牌:上海兰高
型号:H44W-16P
压力:PN16、PN25
适用介质:水、蒸汽、油品、硝酸类、醋酸类
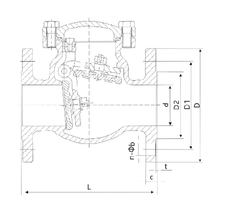
结构长度:GB/T 12221

不锈钢旋启式止回阀又称单向阀或逆止阀,其作用是防止管路中的介质倒流。

H44W、H44H-16P不锈钢旋启式止回阀的安装位置不受限制,通常安装于水平管路,但也可以安装于垂直管路或斜管路上。

不锈钢旋启式止回阀的阀瓣绕轴作旋转运动,其流体阻力一般小于升降式止回阀。旋启式止回阀根据阀瓣的数目可分为单瓣旋启式、双瓣旋启式及多瓣旋启式三种。启闭件靠介质流动和力量自行开启或关闭,以防止介质倒流的阀门止回阀。止回阀属于自动阀类,主要用于介质单向流动的管道上,只允许介质向一个方向。



image.png

image.png