上海兰高阀门有限公司
首页
关于我们
产品中心
闸阀
截止阀
止回阀
球阀
蝶阀
自控阀
调节阀
减压阀
新闻动态
应用领域
服务
阀门百科
波纹管截止阀
气动蝶阀
电动蝶阀
电动球阀
AI助手
联系我们
上海兰高阀门
上海兰高阀门
首页
关于我们
产品中心
闸阀
截止阀
止回阀
球阀
蝶阀
自控阀
调节阀
减压阀
新闻动态
应用领域
服务
阀门百科
波纹管截止阀
气动蝶阀
电动蝶阀
电动球阀
AI助手
联系我们
闸阀
截止阀
止回阀
球阀
蝶阀
自控阀
调节阀
减压阀
首页
>>
产品中心
>>
蝶阀
>>
电动蝶阀
电动硬密封法兰蝶阀
闸阀
电动闸阀
气动闸阀
不锈钢闸阀
铸钢闸阀
刀型闸阀
软密封闸阀
波纹管闸阀
衬氟闸阀
截止阀
电动截止阀
气动截止阀
不锈钢截止阀
铸钢截止阀
波纹管截止阀
氨用截止阀
止回阀
对夹式止回阀
不锈钢止回阀
铸钢止回阀
法兰止回阀
丝扣止回阀
球阀
电动球阀
气动球阀
不锈钢球阀
铸钢球阀
V型球阀
衬氟球阀
液压球阀
四通球阀
三通球阀
低温球阀
螺纹球阀
焊接球阀
蝶阀
电动蝶阀
气动蝶阀
法兰蝶阀
对夹式蝶阀
不锈钢蝶阀
自控阀
气动执行器
调节阀
减压阀
法兰减压阀
丝扣减压阀
卫生级减压阀
客服热线
+86 21 66390268
联系我们
产品分类
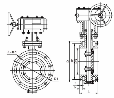
电动蝶阀
品牌:上海兰高
型号:D943H-16
压力:PN10、PN16、PN25、PN40、PN64
适用介质:水、蒸汽、油品
密封形式:硬密封
下载资料
联系我们
产品概述
产品特点
产品结构图
主要零件材料
产品图型
看了又看
查看更多
查看更多
查看更多
查看更多