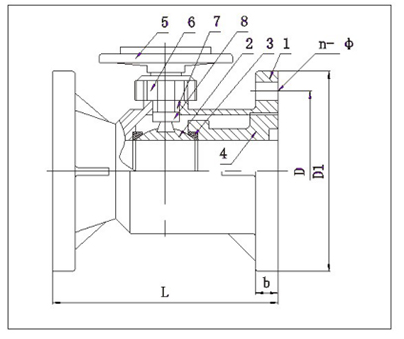
电动塑料UPVC法兰球阀

塑料球阀的主要特点是本身结构紧凑,密封可靠,结构简单,维修方便,密封面与球面常在闭合状态,不易被介质冲蚀,易于操作和维修,适用于水、溶剂、酸和天然气等一般工作介质。
不同维护程序的闸阀、电动球阀维护不适合现场管道,而大多数截止阀的阀座和阀瓣可以在线更换,不需要将整个阀门从管道上拆下来,非常适合阀门和管道焊接在一起的场合。当然,闸阀和截止阀的区别更多。我们应该在选择和使用中很好地区分它们的异同,以避免错误。截止阀和闸阀的适用范围根据其特点确定。在较小的通道中,当需要更好的关闭密封性时,通常使用截止阀;在蒸汽管和大直径供水管中,使用闸阀是因为流体阻力低。
(1)流体阻力小,全通径的球阀没有流阻。
(2)结构简单、体积小、重量轻。
(3)操作方便,开闭快,从全开到全关只要旋转90°。
(4)维修方便,球阀结构简单,密封圈一般都是活动的,拆卸更换都比较方便。
(5)塑料球阀抗冲性能好:RPP,UPVC,PVDF,CPVC具有较高的机械强度和耐冲击性。
(6)塑料球阀液体流动阻力小:产品内壁光滑,摩擦系数小,输送效率高。
塑料球阀化学性能优:本产品无毒、无味、耐酸碱、耐腐蚀,使用范围广。PPR适用于食品、饮料、自来水、纯净水等具有卫生要求的液体管道及设备,也可用于腐蚀性小的液体管道及设备;RPP,UPVC,PVDF,CPVC主要用于腐蚀性较大的强酸、强碱及混合酸的液(气)体流通。


(1)流体阻力小,全通径的球阀没有流阻。
(2)结构简单、体积小、重量轻。
(3)操作方便,开闭快,从全开到全关只要旋转90°。
(4)维修方便,球阀结构简单,密封圈一般都是活动的,拆卸更换都比较方便。
(5)塑料球阀抗冲性能好:RPP,UPVC,PVDF,CPVC具有较高的机械强度和耐冲击性。
(6)塑料球阀液体流动阻力小:产品内壁光滑,摩擦系数小,输送效率高。
塑料球阀化学性能优:本产品无毒、无味、耐酸碱、耐腐蚀,使用范围广。PPR适用于食品、饮料、自来水、纯净水等具有卫生要求的液体管道及设备,也可用于腐蚀性小的液体管道及设备;RPP,UPVC,PVDF,CPVC主要用于腐蚀性较大的强酸、强碱及混合酸的液(气)体流通。
