UPVC手柄蝶阀

UPVC手柄蝶阀
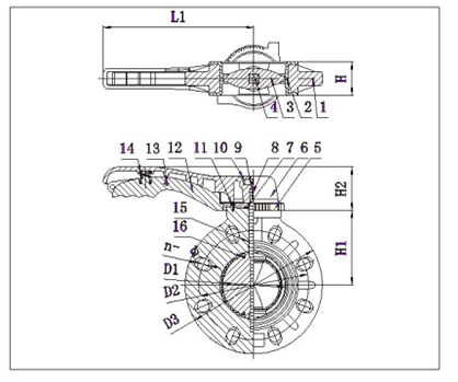
产品分类 对夹式蝶阀

品牌:上海兰高
型号:D71F-10U
压力:PN10
适用温度:-14℃~70℃
公称通径:DN15~DN300
球阀标准:Q/BLSJ001-2014
试验标准:GB/T13927-1992

image.png



image.png

image.png