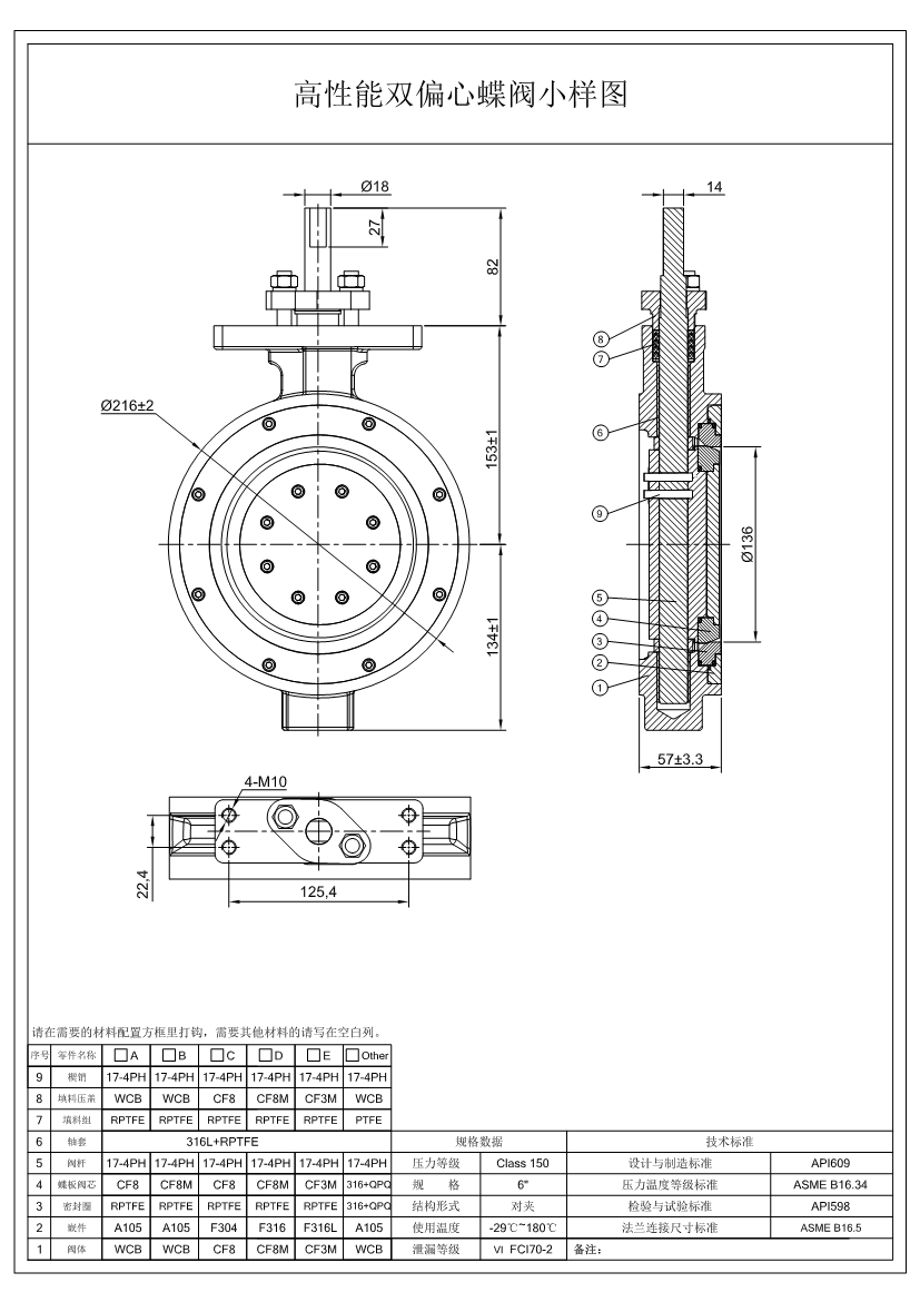
美标150LB对夹式双偏心蝶阀

高性能双偏心软密封蝶阀,除常规阀门所适应的工况介质外,根据不同的介质,选用了不同结构材料和特殊处理材料,还可适用于深冷、蒸汽、氯气、氧气、高真空、氮气、抗腐蚀等特殊工况。
(特殊工况的使用)
为符合推行的防逸散泄漏标准需要加强对微泄漏的控制,本公司使用V型四氟密封圈结构阀门,石墨密封圈和动载蝶形弹簧垫圈,适用于耐火型阀门,它能保持恒定的密封力,不会造成过分压缩,与新阀门配套,也可在现用的阀门上安装,另外还可提供双道密封以及带检侧口的双道密封,通过检测口可以对头道密封进行检测以监视泄漏问题,订购特殊工况的阀门需要按订购说明作出标记。
